行业知识

什么是逆功率保护和程跳逆功率保护?两者有什么区别?

2023-07-24 09:21:39 多宝(中国)

什么是逆功率保护和程跳逆功率保护?两者有什么区别?

逆功率保护的作用:

发电机逆功率保护主要用于保护汽轮机。一般而言,发电机的功率方向应该由发电机流向母线,但由于各种原因汽轮机主汽门关闭而发电机出口断路器未跳闸时,发电机将变为电动机运行,即从系统中吸取有功功率,拖动汽轮机旋转,功率的方向就由母线流向发电机,这就是逆功率。


这种运行工况对发电机并无影响,但是对汽轮机而言,由于没有蒸汽流入,汽轮机的转动将会使内部形成严重的鼓风摩擦,造成叶片过热损坏、低压缸排汽温度升高,低压缸整体向上膨胀后转子中心上移,在轴承座位置不变的情况下引起机组振动。所以设有逆功率保护,当发生逆功率时解列发变组,以保护汽轮机。


程跳逆功率保护的作用:

发电机程序跳闸逆功率保护主要用于防止汽轮机超速。当发电机在带有一定有功负荷的情况下,发电机出口断路器突然跳开而汽轮机主汽门又未全部关闭时,此时汽轮机有可能出现超速而飞车的事故。为避免此类重大事故的发生,在励磁绕组过负荷、失磁等异常运行方式下,保护一般采用程序跳闸方式,动作后作用于先关闭汽轮机的主汽门,待发电机逆功率继电器动作后,与主汽门关闭后接通的辅助触点组成与门,经一短时限组成程跳逆功率保护,动作后作用于全停。

图片关键词

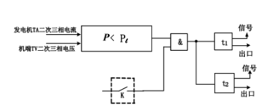
图一:发电机逆功率保护逻辑框图

图片关键词

图二:发电机逆功率保护逻辑框图

发电机功率保护定值(我厂定值):

图片关键词

逆功率保护和程跳逆功率保护的区别:

程跳逆功率动作条件:汽轮机主汽门关闭行程接点闭合且发电机逆功率继电器动作,经短延时发电机跳闸。


逆功率保护设有一段两时限,短延时发信,长延时跳闸。其动作条件就一个,即逆功率继电器动作,经延时发电机跳闸。


正常停机下,发电机降到一定负荷后,汽轮机打闸,主汽门关闭,此时功率下降,等功率降至零,程跳逆功率同时检测到负荷到限和主汽门关闭信号两者全都满足后,发电机跳闸。程跳逆功率保护汽轮机防止飞车。


而经常有主汽门未关严的情况发生,但是负荷已经到限,发电机变为电动机运行,而发电机不允许此种情况下长时间运行,但是主汽门又未关闭,贸然解列发电机会造成飞车,此时逆功率会等60s主汽门关闭,如果60s后仍未检测到主汽门关闭信号,则依旧解列发电机。


所以可以说逆功率保护是程跳逆功率保护的后备保护,程跳逆功率是程序跳闸的一种方式,而逆功率是一种继电保护,也就是说汽轮机打闸后,应该主汽门关闭,功率降到零,发电机刚刚变为电动机运行,程跳逆功率作用于跳闸,而如果此时主汽门未关严,逆功率等待60s,主汽门关不关严都动作跳闸。


首页
产品
新闻
联系