新闻动态
KWZK多宝平台
网站首页
多宝(中国)
公司简介
在线反馈
联系我们
产品展示
全部
传感器/变送器
流量计系列
液位/料位系列
阀门/执行装置
液压/气动元件
检维修工器具
化验/分析仪器
其他机电仪产品
新闻动态
全部
行业知识
企业新闻
资料下载
客户案例
新闻动态
推荐
热门
最新
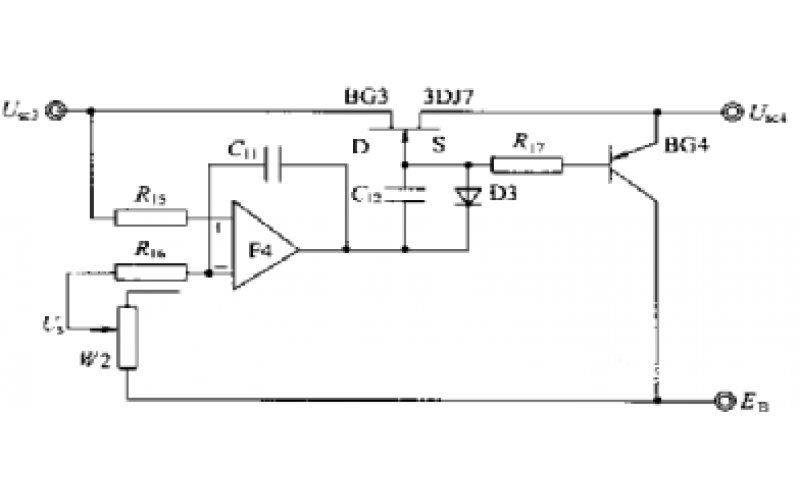
KW-K100系列开方器小信号切除故障分享
KW-K100系列开方器小信号切除故障分享
2022-10-08
多宝(中国)
上一页
1
下一页
转至第
首页
产品
新闻
联系
星空网
|
华体会hth登陆入口「中国」官方网站
|
多宝在线注册
|
MK线上平台
|
欧宝游戏平台(中国)有限公司
|
爱游戏官方网站
|
开云app网站
|
亚美最新官网
|
开云·官方版在线入口
|