新闻动态

  • 凝汽器灌水查漏操作要点有哪些?

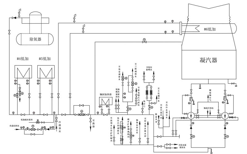
    凝汽器灌水查漏操作要点有哪些? 1.机组停运,高压缸调节级温度低于100℃。 2.凝汽器底部加装临时支撑和临时水位计,水位计上口不允许封口。 3.开启机组各段抽汽疏水门。 4.关闭主再热蒸汽冷段热段、高旁前后,导汽管、调节级、汽缸夹层疏水电动门,和低旁减温水电动门。 5.关闭A、B凝结水泵进口手动门,抽空气手动门,关闭凝结水再循环调整门。 6.关闭A、B真空泵入口手动门,气动门。

    2024-08-16 多宝(中国)

  • 凝结水泵切换操作票

    1.接值长令:A凝结水泵切换至B凝结水泵; 2.检查B凝结水泵具备启动条件,密封水、轴承冷却水进出水门全开,凝结水泵抽空气门开启3圈; 3 查询B凝结水泵上一周期运行情况:运行电流 电机轴承温度 4.关闭B凝结水泵出口电动门,退出B凝结水泵联锁;

    2024-08-16 多宝(中国)

  • 浆液循环泵排空门信号解读及故障处理技巧

    一年一度的迎峰度夏马上来临,用电量不断刷新,电力行业都在积极备战,天气变化无常,暴风雨也会不期而至,尤其梅雨季节,由于防护不当,经常发现浆液循环泵排空门DCS反馈信号为白色,导致浆液循环泵不能及时启动,严重时影响排口数据,如何处理呢?

    2024-07-01 多宝(中国)

  • 气动门的开关到位信号不能正常动作

    气动门的开关到位信号不能正常动作

    2023-09-07 多宝(中国)

  • #6机除氧器水位调节门故障处理问题分析

    #6机除氧器水位调节门故障处理问题分析

    2023-09-01 多宝(中国)

  • 某锅炉1-4号角EF和F和FI层二次风门远方无法操作FBT6检查方法

    某锅炉1-4号角EF和F和FI层二次风门远方无法操作FBT6检查方法

    2023-05-06 多宝(中国)

  • 电厂热工仪表常见故障分析与处理分享

    电厂热工仪表常见故障分析与处理分享

    2023-02-27 多宝(中国)

  • 全厂仪用压缩空气压力低处理措施-多宝(中国)北京

    全厂仪用压缩空气压力低处理措施-多宝(中国)北京

    2022-09-08 多宝(中国)

上一页12下一页 转至第
首页
产品
新闻
联系