锅炉汽包液位指示不准
2022-09-27 多宝(中国)
塔液两个液面计指示不一致
各种液位计故障处理分享
2022-09-23 多宝(中国)
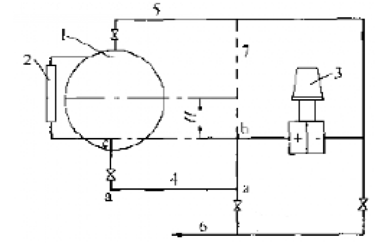
WAX-C320差压变送器液面测量的管路改装分享
2022-09-22 多宝(中国)
合成氨装置KW1101E液位仪表测量问题处理分享
南昌多宝(中国)-物位检测仪表故障处理分享
2022-09-20 南昌多宝(中国)