新闻动态

  • 压力变送器指示偏低故障维修案例

    压力变送器是工业自动化中广泛使用的关键测量设备,其核心功能是直接测量单点的压力值,由于其灵活性和高精度,压力变送器被广泛应用。

    2025-08-15 多宝(中国)

  • 流量仪表转换器电源维修案例分享

    故障: 24V电磁流量计转换器,因使用24VDC电源,而误接220VAC电源,造成保险管爆裂,黑屏。

    2025-08-13 多宝(中国)

  • 光端机原理与快速判断故障法

    RS485光端机是专门用于传输RS-485总线信号的光通信设备,核心是通过光电转换实现RS-485信号的光纤传输,具体原理如下:

    2025-08-13 多宝(中国)

  • 新推出升降式阀杆球阀

    该阀门采用无摩擦密封、非接触式球体运动和单阀座设计,在工作温度范围为-320°F至840°F(-196°C至450°C)的应用中,具备更长的潜在使用寿命。其设计结构最大限度地减少了热膨胀的影响。

    2025-08-11 多宝(中国)

  • 分程控制系统对调节阀的要求及实例

    分程是靠阀门定位器或电一气阀门定位器来实现的。如某调节器的输出信号范围是0.02~0.1MPa气信号,要控制A、B两只调节阀,那么只要在A、B调节阀上分别装上气动阀门定位器,A阀上的定位器调整为:当输入0.02~0.06MPa时,输出为0.02~0.1MPa;而B阀上的定位器调整为:当输入0.06~0.1MPa时,输出为0.02~0.1MPa。即当调节器输出在0.02~0.06MPa时,A阀动作,而调节器输出在0.06~0.1MPa时,B调节阀动作,从而达到了分程的目的。

    2025-08-11 多宝(中国)

  • 火焰探测器调试的详细步骤与技巧

    a.UV TRON- UV增益 显示UVTRON 增益 (可调范围0-99) 默认值为32。 b.Gain IR- IR增益 显示IR增益 (可调范围0-99) 默认值为75. c.Filter IR -IR滤波器 显示当前IR高通滤波 (可调范围0-9) 默认值为3

    2025-08-08 多宝(中国)

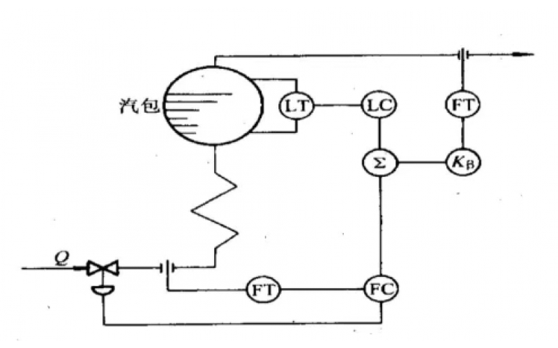
  • 锅炉汽包液位三冲量控制系统

    主被控变量:汽包液位,由液位变送器(LT)测量,经导压管将汽包内液位信号引出,送至主调节器(LC)。 副被控变量:给水流量,由流量变送器(FT2)测量,安装在给水管道的孔板处,通过导压管将差压信号转换为电信号,送至副调节器(FC)。

    2025-08-08 多宝(中国)

  • 新型泄压阀与阻火器组合装置

    该系列产品集卓越的密封性能、优异的流通能力以及可靠的阻火保护功能于一体,专为满足甚至超越最严苛的行业标准而设计。

    2025-08-06 多宝(中国)

首页
产品
新闻
联系